Mechanical - 6/6
close •
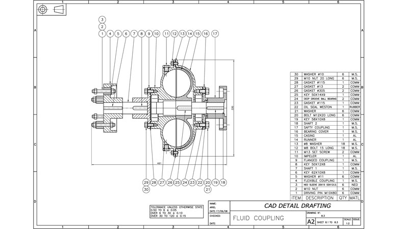
Fluid Coupling (3)